首页
关于我们
产品中心
案例展示
新闻资讯
联系我们
0769-8230-2595
中文简体
简体中文
English
日本語
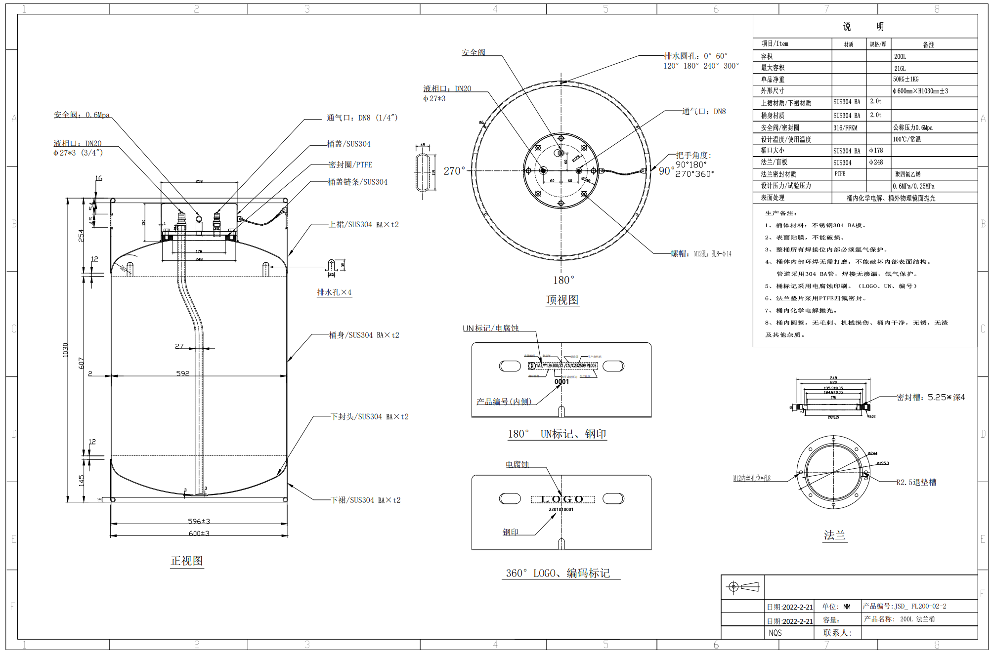
半导体PGMEA包装容器
一种适用于周转半导体PGMEA电子材料的包装容器
一种适用于周转半导体PGMEA电子材料的包装容器