首页
关于我们
产品中心
案例展示
新闻资讯
联系我们
0769-8230-2595
中文简体
简体中文
English
日本語
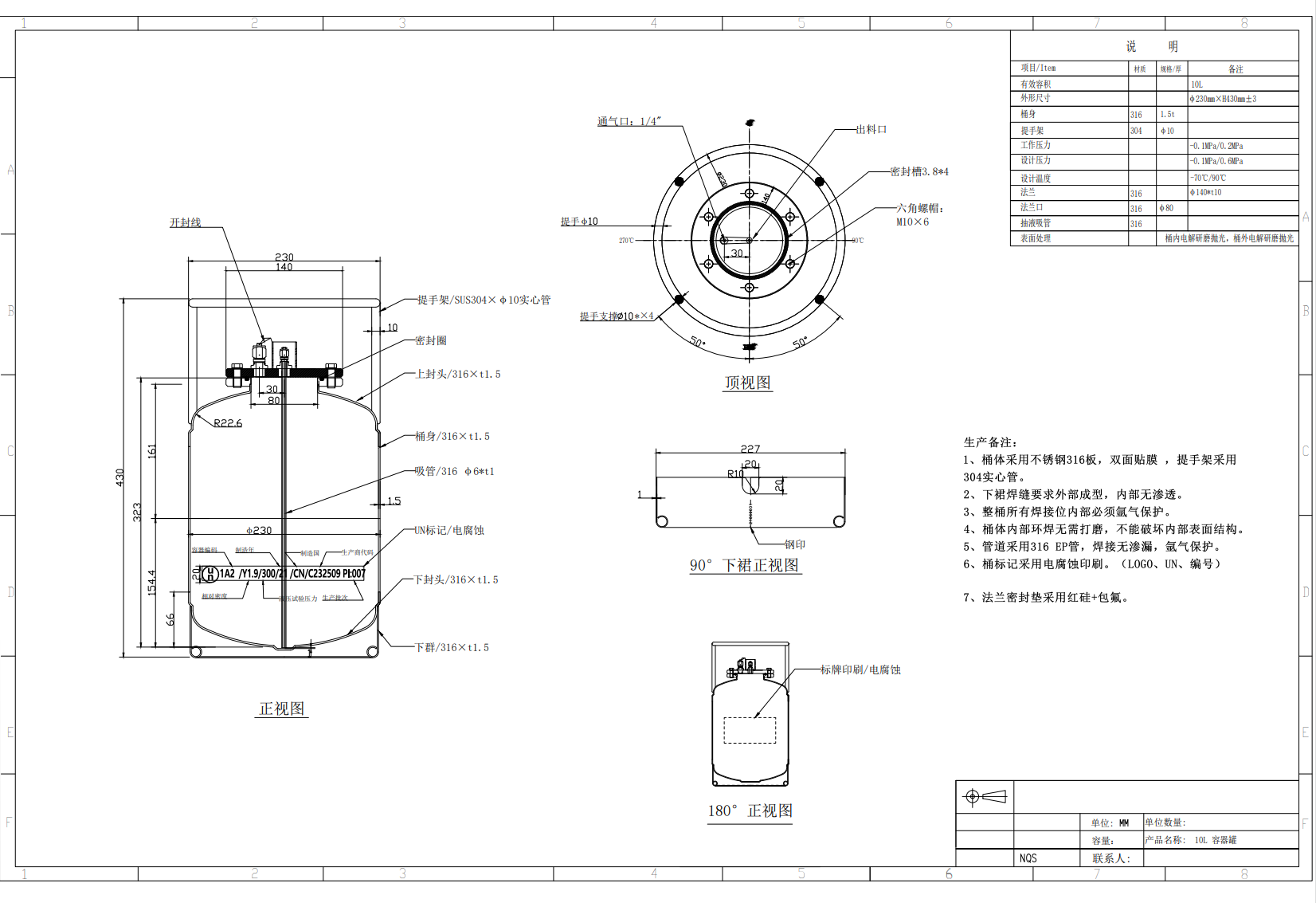
液晶显示材料混合容器
一种适用于液晶显示行业的液晶分重设备的混合容器
一种适用于液晶显示行业的液晶分重设备的混合容器